最新動態
- 010LD140A0-1-M00-20/12-85-H液壓缸,0LD140A0-1-M00-20/12-55-H液壓缸
- 02如何選擇適合農業機械設備的液壓泵?
- 03有哪些品牌的液壓泵適用于農業機械設備
- 04Denison丹尼遜T67DBB系列葉片泵技術細節和應用解析
- 05油研YUKEN葉片泵pv2r13-19-94-f-reaa-43型號說明及應用
- 06日本東京計器Tokyokeiki液壓柱塞泵型號及參數大全
- 07丹佛斯變量柱塞泵所有的型號,Sauer-Danfoss液壓泵
- 08薩奧丹佛斯柱塞泵ERR100、ERR130、ERR147系列參數
- 09MPV系列DANFOSS柱塞泵的應用場景及產品特征

行業新聞
T6EC,T6ED,T6EE系列派克DENISON雙聯葉片泵安裝尺寸
發布時間:2022-11-05 14:05:06T6EC,T6ED,T6EE系列派克DENISON雙聯葉片泵優特點:
.工作壓力高 - 額定工作壓力高達 275 bar,由此可減小液壓執行機構、液壓控制閥以及配管的尺寸,使安裝成本降低。若降低工作壓力使用,可延長工作壽命;
.容積效率高 - 典型的容積效率為 0.94,即使在加載的情況下也具有很高的容積效率,由此可提高生產率,減少發熱和降低液壓設備的運行成本,并允許滿壓力工況下的轉速低至 600 rpm(車用型泵更可低至 400rpm);
.機械效率高 - 典型值為 0.94,減小了能量損耗;
.轉速范圍寬 - 轉速范圍為 600~2800 rpm(車用型泵為 400~2800 rpm),結合在小規格殼體中安裝大排量的泵芯組件的方式,可優化工作狀態,降低噪聲;
.低轉速(600 rpm,車用型泵為 400 rpm)、低壓力及高粘度(860 cSt,車用型泵為2000 cSt)運行能力 - 使 T6 系列葉片泵能適應低溫工況,功耗小且無卡滯危險;
.壓力脈動小 - 約±2 bar,由此可減小液壓管道的噪聲,并延長液壓回路中其它元件的使用壽命;
.噪聲低 -提高了工作的安全性,增加了被接受程度。
.抗污染能力強 - 本系列泵采用雙唇結構的葉片,具有極強的抗污染能力,使用壽命長;
.可選的結構參數和形式豐富 - 如:泵芯排量、傳動軸形式、油口的配置形式等,便于用戶按安裝需要進行選擇;
.安裝形式的多樣性 - 對雙聯泵可有 32 種安裝的組合形式,而對三聯泵則可有多達 128 種安裝的組合形式,由此可降低成本并提高性能。
.廣泛的適用性 - 安裝方式符合 SAE J744a 和 ISO 3019-1 規定的 2 孔法蘭形式,并配備有各種平鍵和花鍵傳動軸供選用。對于車用型泵,還具有 T 型傳動軸(符合SAE J718c)選項,允許直接與拖拉機配裝(轉速 540~1000 rpm);
一般使用說明 :
1 檢查泵的轉向、轉速范圍、壓力、溫度、油液質量及粘度;
2 檢查泵的吸口條件是否符合使用要求;
3 檢查傳動軸類型,扭矩是否滿足工況要求;
4 選用適當的聯軸器以使泵的徑向負載(重量、不同軸偏差等引起)最小;
5 過濾:必須滿足最低污染度等級的要求;
6 工作環境:避免噪聲、污染以及沖擊的影響。
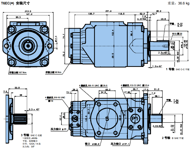
T6EC丹尼遜葉片泵安裝尺寸:

T6ED丹尼遜葉片泵安裝尺寸:

T6EES丹尼遜葉片泵安裝尺寸:
![【港隆液壓】液壓元件[液壓油泵,電磁閥] 一站式服務平臺](upload/20210127173032768281.png)




